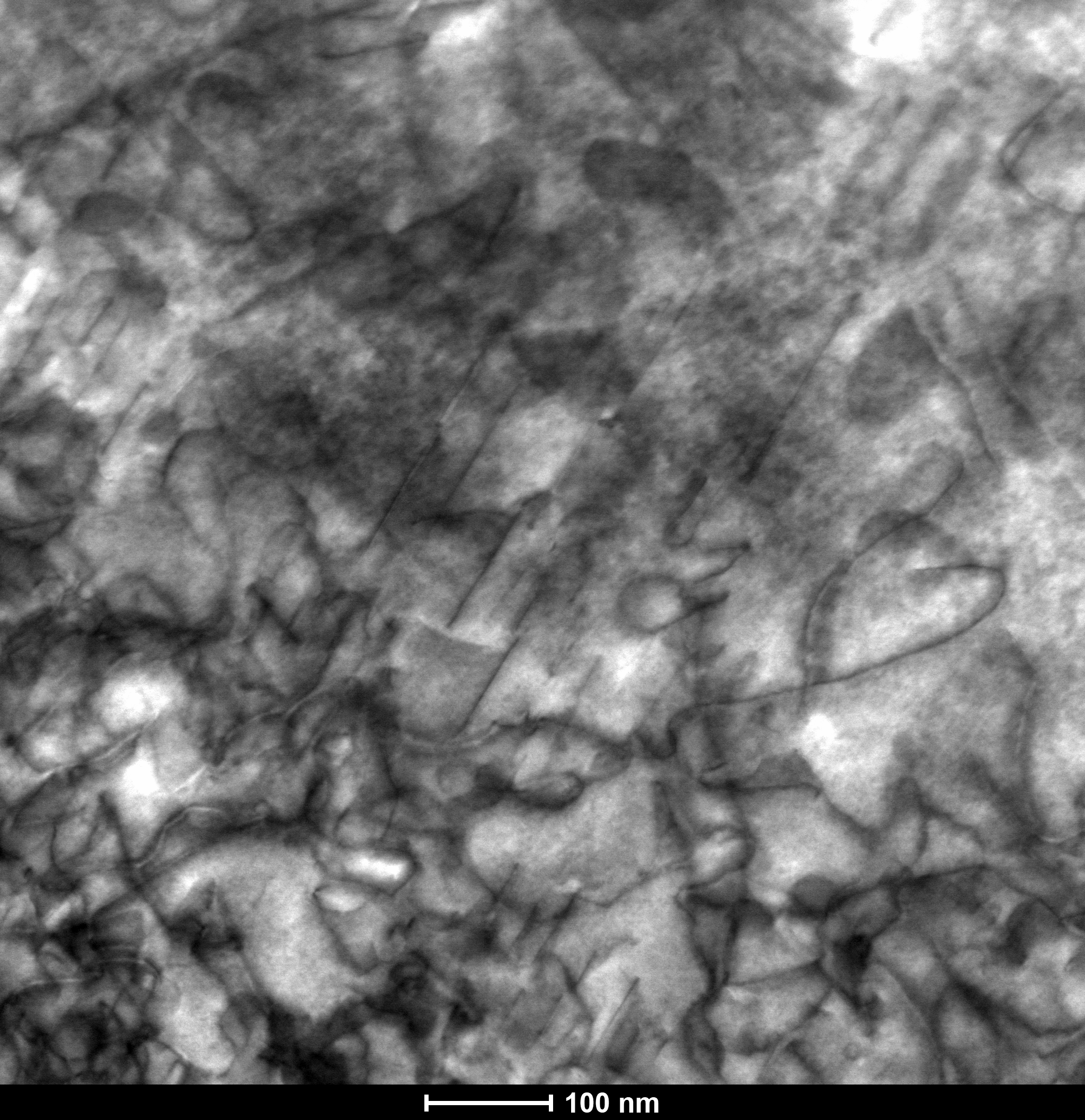
BFSTEM_KGT 4104_A19.5B2.03_135kx_001.png
Dataset description:
Particles comprised of a thermal neutron absorbing material (HfAl3) are dispersed in a metal matrix material with high thermal conductivity (aluminum) to conduct the heat generated by...
Source: BFSTEM
Additional Information
Field | Value |
---|---|
Data last updated | 2024 डिसेम्बर 6 |
Metadata last updated | 2024 डिसेम्बर 6 |
Created | 2024 डिसेम्बर 6 |
Format | PNG |
License | Creative Commons Attribution |
Datastore active | False |
Has views | True |
Id | d1bbaa9b-1f71-451a-936a-4c16074b7f87 |
Mimetype | image/png |
Package id | d23be2cc-07a7-4e28-a290-43fd57384403 |
Position | 2 |
Size | 2.4 मेगाबाइट |
State | active |
Url type | upload |