LabVIEW screenshots 052825

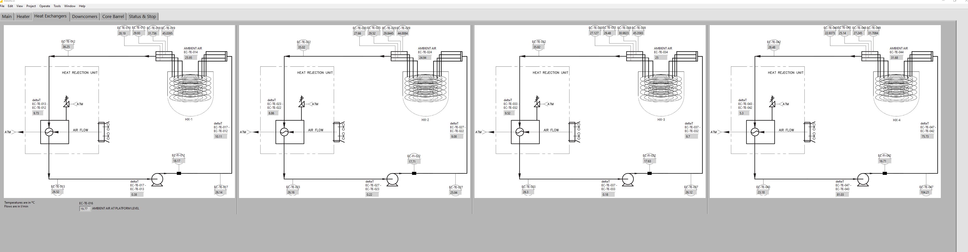
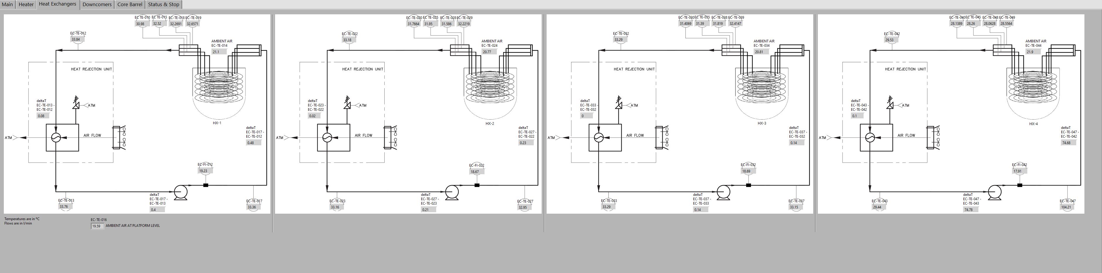
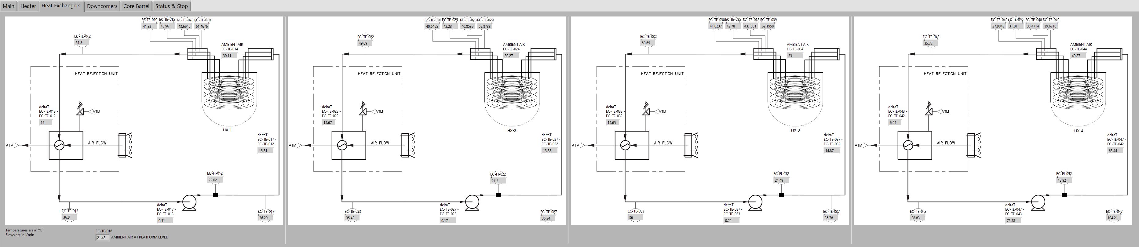
Primary Coolant Apparatus Test (PCAT) for the Microreactor Applications Research Validation (MARVEL) project. The PCAT replicates the MARVEL reactor’s primary loop . PCAT uses sodium-potassium eutectic as a primary coolant to transfer heat by natural circulation to four heavy-metal cooled intermediate heat-exchangers. Four Stirling engines, installed on the top of intermediate heat exchangers, convert the thermal power to electrical power and drive the natural circulation of secondary coolant inside the heat exchangers (i.e., LBE). The primary scope of the PCAT is to provide thermal-hydraulic phenomenological data for a series of validation of the computational tools used in the design and analysis of MARVEL (1D system thermal-hydraulic and 3D computational fluid dynamic (CFD) codes), and to investigate the thermal hydraulic performances of the whole system.

Data and Resources

Datatype Name Last Modified
Downcomer 2 @ 50C 052825.JPG

April 14, 2026, 16:22 (UTC)
Downcomer 2 @ 30% 052825.JPG

April 14, 2026, 16:22 (UTC)
Downcomer 1 @ 95% 052825.JPG

April 14, 2026, 16:22 (UTC)
Main @ 70% 052825.JPG

April 14, 2026, 16:22 (UTC)
Downcomer 1 @ 50C 052825.JPG

April 14, 2026, 16:22 (UTC)
Core Barrel @ 50C 052825.JPG

April 14, 2026, 16:22 (UTC)
Downcomer 2 @ 70% 052825.JPG

April 14, 2026, 16:22 (UTC)
Heat Exchangers @ 70% 052825.JPG

April 14, 2026, 16:22 (UTC)
Downcomer 3 @ 95% 052825.JPG

April 14, 2026, 16:22 (UTC)
Downcomer 1 @ 30% 052825.JPG

April 14, 2026, 16:22 (UTC)
Downcomer 3 @ 70% 052825.JPG

April 14, 2026, 16:22 (UTC)
Heat Exchangers @ 50C 052825.JPG

April 14, 2026, 16:22 (UTC)
Downcomer 4 @ 50C 052825.JPG

April 14, 2026, 16:22 (UTC)
Main @ 30% 052825.JPG

April 14, 2026, 16:22 (UTC)
Core Barrel @ 95% 052825.JPG

April 14, 2026, 16:22 (UTC)
Downcomer 4 @ 70% 052825.JPG

April 14, 2026, 16:22 (UTC)
Downcomer 1 @ 70% 052825.JPG

April 14, 2026, 16:22 (UTC)
Downcomer 2 @ 95% 052825.JPG

April 14, 2026, 16:22 (UTC)
Heat Exchangers @ 30% 052825.JPG

April 14, 2026, 16:22 (UTC)
Downcomer 3 @ 30% 052825.JPG

April 14, 2026, 16:22 (UTC)
Main @ 50C 052825.JPG

April 14, 2026, 16:22 (UTC)
Downcomer 3 @ 50C 052825.JPG

April 14, 2026, 16:22 (UTC)
Heat Exchangers @ 95% 052825.JPG

April 14, 2026, 16:22 (UTC)
Main @ 95% 052825.JPG

April 14, 2026, 16:22 (UTC)
Core Barrel @ 70% 052825.JPG

April 14, 2026, 16:22 (UTC)
Downcomer 4 @ 30% 052825.JPG

April 14, 2026, 16:22 (UTC)
Downcomer 4 @ 95% 052825.JPG

April 14, 2026, 16:22 (UTC)
Core Barrel @ 30% 052825.JPG

April 14, 2026, 16:22 (UTC)

Additional Info

Field Value
Author Carlo Parisis
Last Updated April 14, 2026, 16:22 (UTC)
Created April 14, 2026, 16:22 (UTC)
DOI Link 10.48806/3025441
Instrument
Statement of Credit This work was supported by the U.S. Department of Energy, Office of Nuclear Energy under DOE Idaho Operations Office Contract DE-AC07-05ID14517 as part of Nuclear Science User Facilities award #